原理结构
PM100 压力变送器采用隔离膜片的压力传感器作 为信号测量元件,并经 过计算机自动检测和激光调阻工艺进行了较宽温度范围的零点和灵敏度温 度补偿。被测介质的压力直接作用于传感器的膜片上,使膜片产生与介质压 力成正比的微小位移,电子线路检测这一位移量后,即把这一位移量转换成 对应于这一压力的标准工业测量信号。该传感器具有很好的稳定性和高可靠 性。
-专用集成电路和表面封装技术.
-坚固的金属外壳,可满足恶劣的工作环境
-采用 316L 不锈钢隔离膜片
-显示单位多样可选
产品应用
可测量各种液体、气体测量,广泛用于石油、化 工、电力、冶金、制药、食品等工业领域。
技术参数

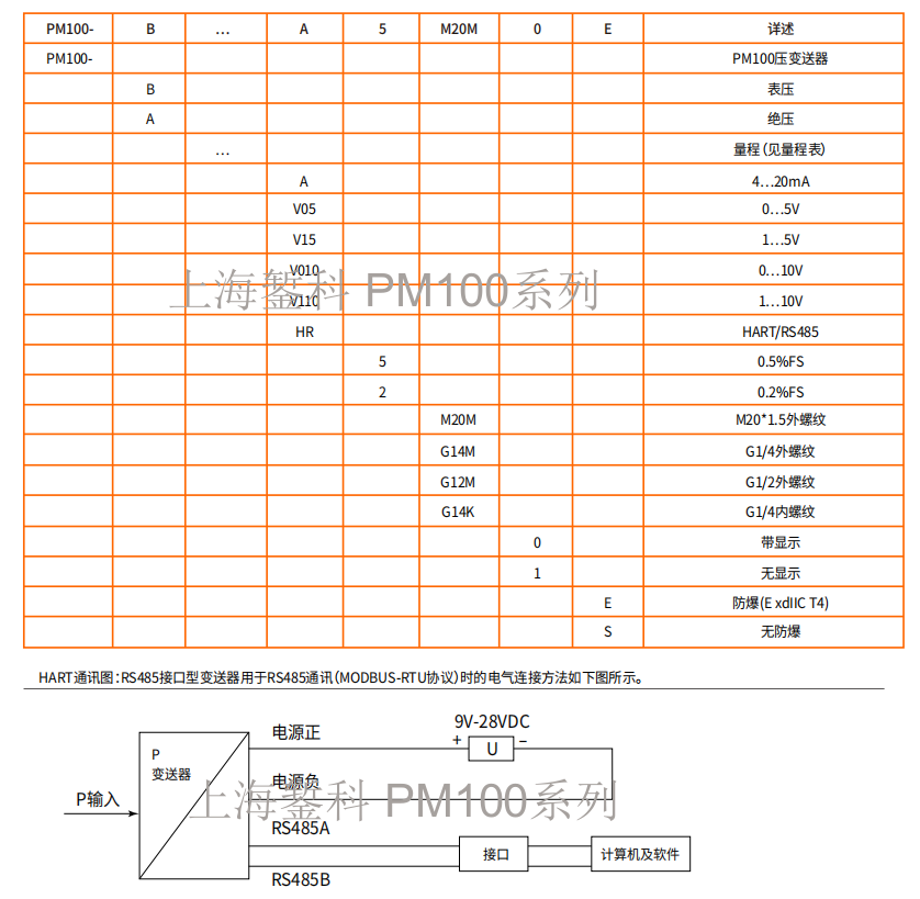
接线图

尺寸图

量程代码

选型表

压力变送器PM100系列批发厂家
上海錾科是一家压力变送器PM100系列批发厂家,上海錾科公司现阶段产品主要产品有流量开关、压力开关、温度开关、电磁流量计、涡街流量计、涡轮流量计、超声波流量计、物(液)位流量计等仪器仪表。应用行业:石油化工、天然气、机械、电力、冶金、建材、食品医药制造、农业、环保、等领域。(我公司可根据用户的特殊要求和现场工况进行订制仪表规格,提供安装和调试服务。)