
基于热式原理,在封的探头内包含两个电阻,其中一个被加热作为探测电阻,另一个未被加热作为基准电阻,当介质流动时,加热电阻上的热量被带走,电阻值被改变,两个电差值被用作判断流速的依据
无活动部件,免维护,安装方便,一种型号适用多种管径要求,开关量连续可调,极任的压力损失,结构紧,ED显示流动趋势及开关状
气液两用型,可用于气动和液压系统,可用于循环水,切削液及润滑油的断流检测,以及泵的空转保护。

设定范围: 水:1150cm/s
油:3.300cm/s
空气:20.2000cm/s开关输出设定范围:0.5%100%量程
准确度: 0.5%量程
开关数量: 1或2个可选
输出功能: PNP.、NPN、常开或常闭可设
额定电流: 300mA
模拟量出: 出类型:4.20mA模拟量輸出
负载: 500Q
空载电流: 最大80mA
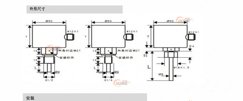
流量指示: 数字显示(百分比)设定方式:按键设定耐压图:100bar
介质温度变化: 4 ℃ / s
响应时间: 1.13,典型值2
初始化时间: 约85
供电: 24V±20%DC2
接通电源:最大4 A (PNP EK NPN)最大
2A48VAC/DC(继电器型)
电气保护:反相,短路,过保护




