上海錾科自动化科技有限公司——流量自动化仪表供应商。 联系电话:18001874240
语言选择: English

当前位置:网站首页> 常见问题 常见问答

一分钟详解什么是流量开关继电器?

时间:2019-07-11 03:07:04 点击:0

电子开关基本上只是一个开关,它使用电流来打开,通常在电流关闭时关闭。某些开关的应用对于某人按下按钮来打开或关闭非常不方便,例如用于汽车中的启动马达,或者核反应堆内部或电子设备中的”关闭核熔毁”按钮。项目,一个小型低功率设备,如接收器,必须以某种方式为一个大型能量消耗组件供电,如车库门开启器中的电机。而其他人只是想用他们的计算机来控制他们的房屋,而这些计算机永远无法供应运行某些设备所需的240v / 120v电源。
电子式流量开关用途广泛,有耐腐蚀数显电子式流量开关,也有长探杆大管道专用电子式流量开关,更有数显小型电子式流量开关。您可以直接点击下方进行了解查看。

在您了解之后,您可以能其内容部件产生兴趣,下面这个内容以及后面紧跟着的内容将为您介绍该产品的内部部件及其工作原理。
本文章将包括对继电器进行非常友好的解释。首先,我们将从什么是继电器开始!

什么是继电器?
对于初学者来说,继电器可能是一个非常困难的应用程序,首先要了解,对我来说,我花了3-4天的时间研究一个关于继电器如何工作的简单解释,并且最近发现自己被要求解释,由一个无法理解的无知的菜鸟。
简单来说,继电器是一种使用电磁铁将两个连接机械地拉到一起以完成电路的装置,就像手指在拨动开关中机械地将两个触点推到一起一样。
只要小型低功率设备或电源需要接通大得多的设备(通常与信号电源完全隔离),或者电压高于信号所能提供的电压,就可以使用继电器。
然而,这通常不足以帮助某人真正掌握这些神秘盒子如何工作的想法。
大多数人都能看到的最常见的例子是汽车。
如果你曾经想知道为什么你的汽车在指示灯亮时会发出咔哒声,那是因为继电器是通过小型定时器芯片打开和关闭的。我不知道究竟是什么类型,但很可能是它的555计时器。
555计时器用于以任何速率创建任何长度的脉冲(只是打开和关闭),但是,如果从中抽取超过200ma,它将很快燃烧。
如果我们尝试使用555定时器为指示灯供电,你就不会看到任何东西,因为它无法为灯提供足够的电力来实际做某事,即使在700ma时也是如此,此外,它会燃烧起来芯片约5-10秒后。
现在,如果我们只是使用555定时器打开继电器,然后将指示灯与电池连接,可能会吸收50ma,这是芯片处理的安全负载,而任何高达5A的可能是从电池流过继电器,为灯供电(一般情况下,在为任何类型的线圈供电时,避免使用555以上的100mA以上电流)。
如果你有一辆昂贵的新车,你很可能听不到这种咔哒声,因为要么制造商遇到隔音继电器的问题,要么使用大功率晶体管,或者MOSFET(类似),可能是因为你的指标是LED的。
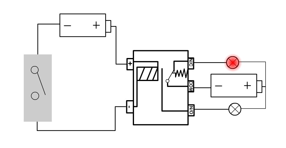
这个交互式动画向您展示了一个非常简单的场景,其中使用了N / O和N / C,根据是否有通过继电器的电源,打开红色或绿色光源。
按灰色开关打开继电器,然后松开以关闭或按住以保持继续。
由于闪存检测鼠标点击的方式,如果你按住鼠标并将其从按钮上移开,你可以欺骗开关说它仍然被按下,如果你把继电器锁定在”ON”,只需点击开关它就会再次正常工作。
显然这不会发生在现实生活中。它只是代码中的一个错误。
继电器也是电子式流量开关的重要组成部分,您可以在本网站查看文章详情。